网站公告:
深圳容方, 您永远可信任的防爆监控品牌!!
销售热线:
0755-28397973
整站搜索:
不限栏目
产品中心
新闻中心
客户案例
资质荣誉
网站首页
公司简介
产品中心
红外防爆摄像…
微型红外防爆…
普通防爆摄像…
防爆摄像机护…
耐高温水冷防…
防爆球机
防爆云台
热成像防爆摄…
防爆一体化摄…
防爆接线箱
矿用防爆摄像…
无感加油支付…
防爆监控辅助…
新闻中心
常见问题
企业新闻
行业新闻
客户案例
关于容方
关于我们
组织架构
发展历程
资质荣誉
服务支持
服务支持
服务承诺
技术支持
联系我们
产品中心
红外防爆摄像机
微型红外防爆摄像机
普通防爆摄像机
防爆摄像机护罩
耐高温水冷防腐防爆护罩
防爆球机
防爆云台
热成像防爆摄像机
防爆一体化摄像机
防爆接线箱
矿用防爆摄像机
无感加油支付系统
防爆监控辅助设备
新闻中心
深圳容方2026年春节放假安…
深圳容方2026年元旦节放假…
防爆红外摄像机常见问题及…
深圳容方2025年五一劳动节…
防爆摄像机安装过程中注意…
咨询热线
0755-28397973
手机:
13509641599
电话:
0755-28397973
地址:
深圳市坪山区龙田街道德昌盛工业园B栋4楼
邮箱:
sales@szrongfang.com
防爆监控辅助设备
当前位置:
首页
-
产品中心
-
防爆监控辅助设备
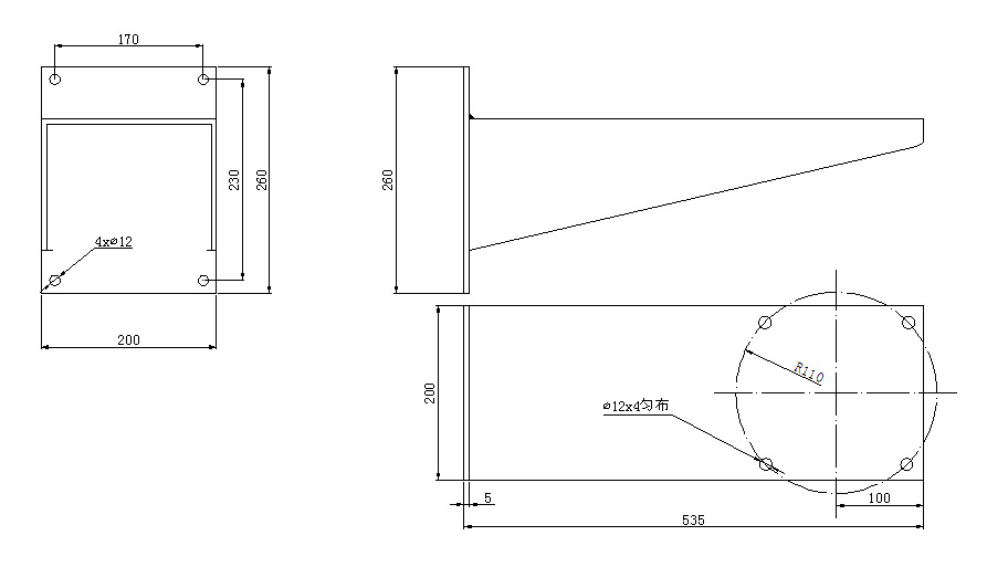
防爆重型支架
发布时间:2023-06-03
点击量:
47
配件型号:RFHS02
功能特点:用于安装防爆云台,承重80Kg.
200*260*535, 宽*高*长
安装孔位简图:
上一页:
防爆挠性连接管
下一页:
防爆专用支架
返回列表
友情链接:
防爆电气设备…
防爆球机
防爆红外摄像…
防爆摄像机
防爆摄像头
防爆红外摄像…
网站地图(
百度
/
谷歌
)
版权所有:深圳容方科技 技术支持:
深圳容方技术部
ICP备案编号:
粤ICP备09017434号-6
13509641599
0755-28397973